Vitajte na našom e-shope Baseko

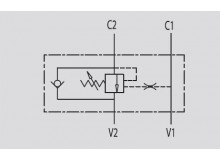
Brzdný ventil jednostranný 3/8"- VBCD 3/8" SE-A V0392

náhrada za WBCSELUPI02B

Pretlakové ventily riadené preťažením sa používajú na riadenie pohybu a blokovanie prijímača v jednom alebo... Celý popis

Skladom
37,64 € s DPH
30,60 € bez DPH

Pridať do košíka

Číslo produktu: 12100
Kategórie: Ventily do potrubia, Tlakové, odľahčovacie, brzdné
Zdielať na:

Katalóg

Stiahnite si katalóg ku produktu

Stiahnuť katalóg

Popis produktu

Pretlakové ventily riadené preťažením sa používajú na riadenie pohybu a blokovanie prijímača v jednom alebo oboch smeroch (dvojité ventily). Blokujú prietok, zabezpečujú hladký pokles zaťaženia, zabraňujú kavitácii, chránia hydraulický systém pred zvyšovaním tlaku a umožňujú prietok aj v opačnom smere. Vhodný pre otvorené rozdeľovače v strednej polohe.

Dopyt na hydraulický agregát

Jednoducho vyplňte formulár a odošlite svoj záujem o hydraulický agregát.

Odoslať dopyt
Baseko, spol. s r. o.

Lieskovec 830/107 (Areál ZTS)
01841, Dubnica nad Váhom
Slovensko

Získať polohu lokality

© 2020-2026 Baseko. Všetky práva vyhradené. | Tvorba web stránok - Ján Ďuriga