Vitajte na našom e-shope Baseko

Brzdný ventil dvojstranný- 1/2" VBCD,DE-A L2=48mm V0432/X

náhrada za WBCDELU03B

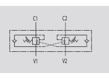
Pretlakové ventily riadené preťažením sa používajú na riadenie pohybu a blokovanie prijímača v jednom alebo... Celý popis

Skladom
67,65 € s DPH
55,- € bez DPH

Pridať do košíka

Číslo produktu: 12099
Kategórie: Ventily do potrubia, Tlakové, odľahčovacie, brzdné
Zdielať na:

Katalóg

Stiahnite si katalóg ku produktu

Stiahnuť katalóg

Popis produktu

Pretlakové ventily riadené preťažením sa používajú na riadenie pohybu a blokovanie prijímača v jednom alebo oboch smeroch (dvojité ventily). Blokujú prietok, zabezpečujú hladký pokles zaťaženia, zabraňujú kavitácii, chránia hydraulický systém pred zvyšovaním tlaku a umožňujú prietok aj v opačnom smere. Vhodný pre otvorené rozdeľovače v strednej polohe.

Dopyt na hydraulický agregát

Jednoducho vyplňte formulár a odošlite svoj záujem o hydraulický agregát.

Odoslať dopyt
Baseko, spol. s r. o.

Lieskovec 830/107 (Areál ZTS)
01841, Dubnica nad Váhom
Slovensko

Získať polohu lokality

© 2020-2026 Baseko. Všetky práva vyhradené. | Tvorba web stránok - Ján Ďuriga